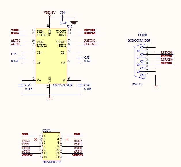
gt2440 schematics for serial comm.

Post Reply
esky-sh
Posts: 2140
Joined: Sat Dec 20, 2008 4:21 am

gt2440 schematics for serial comm.

Post by esky-sh » Wed Feb 22, 2012 4:47 pm

gt2440_serial.jpg
gt2440_serial.jpg (59.7 KiB) Viewed 20895 times

Post Reply

Who is online

Users browsing this forum: No registered users and 2 guests